
一、应用领域
CJP-F系列风电系统专用电涌保护器广泛用于风力发电系统,合理的安装可以有效的对风机发电机组、控制系统、箱变等风电系统组建起雷电防护作用。作为风机690V电源系统的电涌保护器,保护风机供电系统的安全可靠。
二、功能特点
l 可靠的热脱扣保护装置。
l 400/690V的IT或TN-C电源系统保护 。
l 通流量大,残压低。
l 可靠的故障显示、遥信告警。
l 外壳防护等级为IP 20,阻燃等级为UL 94 V-0 。
l 符合IEC 61643-11 ,GB/T 18802.11标准 。
三、型号定义
四、技术数据
|
型号 |
CJPF-40/3P-760-S |
CJPF-100/3P-760-S |
|
依据标准 |
GB/T 18802.11-2020 ( IEC 61643-11:2011,MOD ) |
|
|
试验类别 |
Ⅱ类(T2) |
|
|
系统电压Un |
400/690V |
|
|
最大持续工作电压Uc |
760V |
|
|
工作频率 |
50/60 Hz |
|
|
标称放电电流In (8/20μs) |
15kA |
40kA |
|
最大放电电流Imax (8/20μs) |
40kA |
100kA |
|
电压保护水平Up (at:In) |
3.0kV |
4.0kV |
|
最大后备熔断器 |
100A(gL/gG) |
125A(gL/gG) |
|
应用系统 |
IT,TN-C |
|
|
保护模式 |
L-PE |
|
|
接入方式 |
并联 |
|
|
相应时间tA |
≤ 25ns |
|
|
接线端子连接铜导线的截面积 |
6 ~ 10 mm2 |
16 ~ 35 mm2 |
|
遥信接口最大接线面积 |
1.5 mm2 |
|
|
遥信报警触点强度 |
AC: 250 V/0.5 A 125 V/1 A DC: 30 V/0.1 A |
|
|
扭矩:接线端子/遥信接口 |
2.5 N•m / 0.25 N•m |
|
|
外壳防护等级(IP代码) |
IP20 |
|
|
工作指示 |
视窗显示红色时表示产品已失效,需更换! |
|
|
外形尺寸 |
111 mm×53.6 mm×71 mm |
96.7 mm×108 mm×65.5 mm |
|
安装形式 |
35 mm标准导轨 |
|
|
阻燃等级 |
UL94 V-0 |
|
|
工作温度范围 |
-40℃~ +80℃ |
|
|
相对湿度范围 |
5 % ~ 95 % |
|
|
海拔范围 |
-500 m ~ +4000 m |
|
五、外型结构
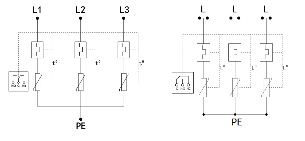
六、电路原理示意图