
3.2 型号命名规则
3.3 性能指标
|
型号 |
CJPB-40H-600PV |
CJPB-40H-670PV |
CJPB-40H-750PV |
|
最大持续工作电压Uc |
460V AC |
510V AC |
625V AC |
|
光伏系统的最大持续工作电压Ucpv |
600 V |
670 V |
750 V |
|
标称放电电流In |
20kA (8/20μs) |
||
|
最大放电电流Imax |
40kA (8/20μs) |
||
|
Ⅰ类试验的冲击放电电流 Iimp
|
5kA (10/350μs) |
3kA (10/350μs) |
|
|
电压保护水平Up |
≤2.0 k |
≤2.3 k |
≤3.0 k |
|
额定短路电流 Iscpv |
200A |
||
|
过载特性模式 |
开路失效模式(OCM) |
||
|
IEC等级 |
Ⅰ类 |
||
|
UL等级 |
Type 4 |
||
|
响应时间tA |
<25 ns |
||
|
外壳防护等级IP |
20 |
||
|
外壳材料 |
UL94 V-0 |
||
|
工作指示 |
正常视窗显示绿色,异常视窗显示红色 |
||
|
告警装置 |
正常常闭,异常常开 |
||
|
波峰焊焊接温度/时间 |
Max. 260℃/5 sec |
||
|
端口数量 |
一端口 |
||
|
使用地点 |
户内,PCB |
||
3.4电气原理图

4 外形结构图
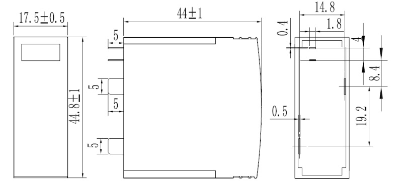
4.1 结构尺寸图
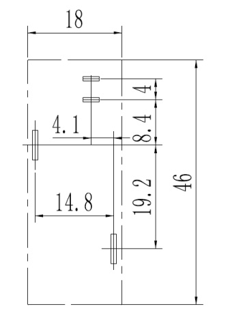
4.2 PCB开孔尺寸图(仅供参考)

4.3 安装
4.3.1 该防雷模块采用 PCB 焊接安装,PCB 板开孔如上图(PCB开孔尺寸图)所示。
4.3.2手工焊接参考:420℃、1~3秒;波峰焊接参考:260℃、2~5秒;
5 适用环境与安规
6 环保
产品满足欧盟 RoHS 2.0 指令要求。